Anhebungsbausätze für Kabelkanälen mit innenliegenden Deckeln
Bausätze zum Anheben oder Absenken
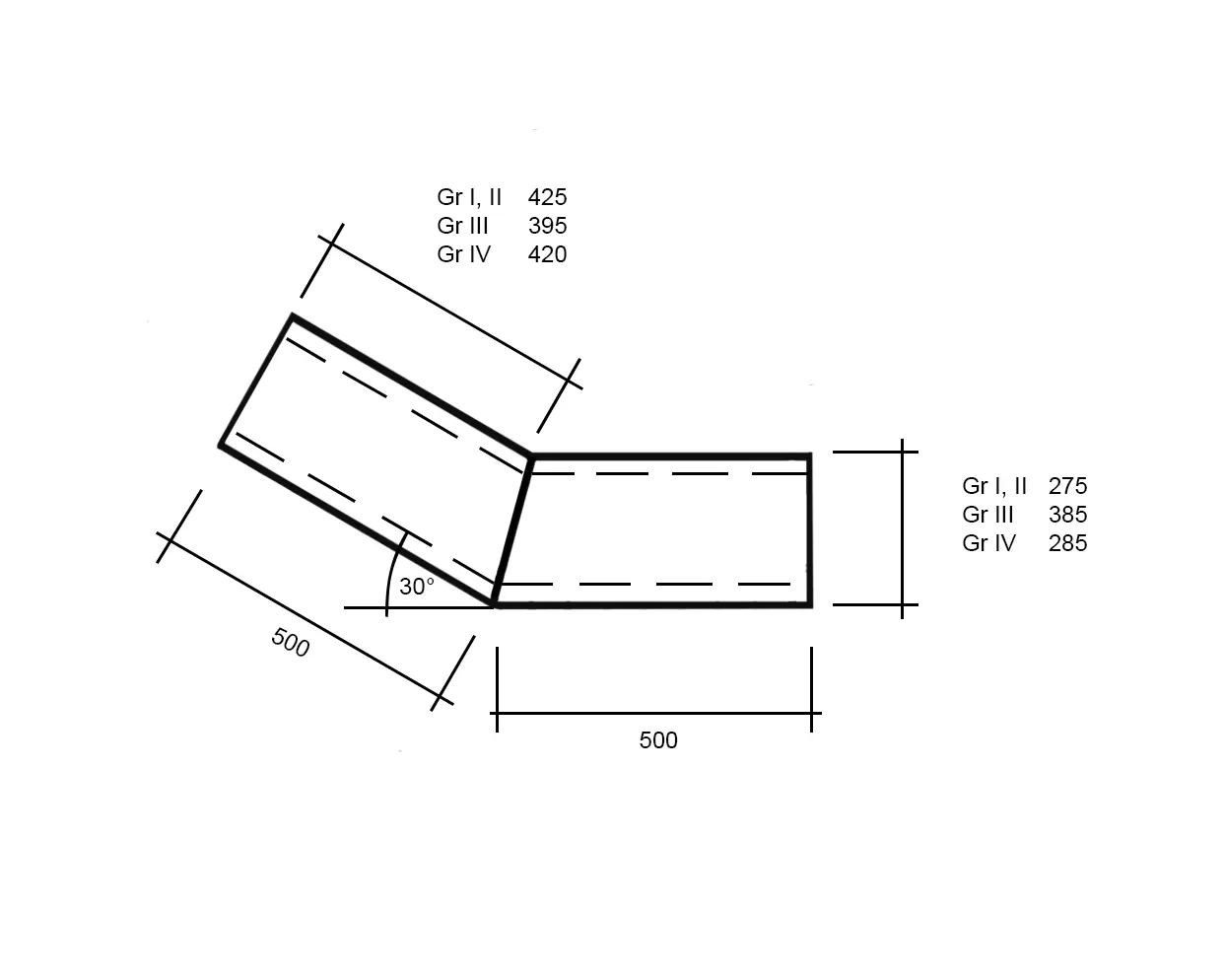
von Kabeltrassen mit einem Neigungswinkel von 30° (an Bahnböschungen und dergl.) in Form von Anhebungs- oder Absenkungsbausätzen für Kanalgröße I bis IV i.F.
Anhebungsbausatz bestehend aus:
2 Stck. Trogteilen mit einer abgeschrägten Stirnseite zur Senkrechten hin. Diese Stirnseite ist ohne Falzausbildung. Die andere Seite ist mit einem Falz entsprechend den Normaltrögen ausgebildet.
Deckelauflager entsprechend den Trogkanälen mit innenliegenden Deckelauflagerfalz.
2 Stck. Deckel, Stärke = 60 mm, Länge entsprechend den Trogteilen, Bewehrt, 10kN
Betongüte Tröge: C35/45 XC4, XD3, XS3, XF3, XA2
Betongüte Deckel: C30/37 XC4, XF1, XA1, R12
Anhebungsbausätze
| Größe | Breite i.L. mm |
Höhe i.L. mm |
Artikel - Nr. |
|---|---|---|---|
| I i.F. | 100 / 90 | 160 | DB11130 |
| II i.F. | 240 / 230 | 155 | DB11225 |
| III i.F. | 240 / 230 | 260 | DB11325 |
| IV i.F. | 540 / 530 | 160 | DB11430 |