Jetzt anrufen

Fundament für Fahrkartenentwerter

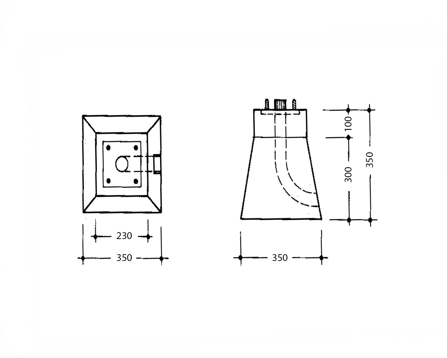
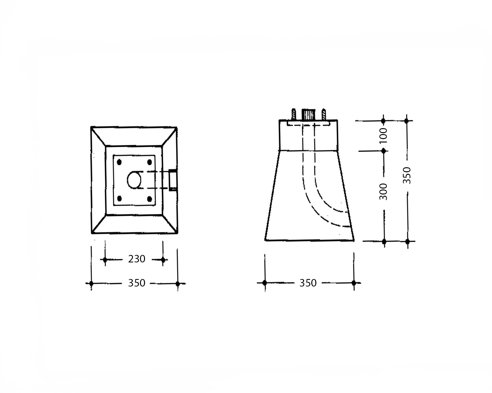
Fundament für Fahrkartenentwerter aus Beton C30/37 mit den Expositionsklassen XC4 und XF1, robust und bewehrt. Das Fundament hat eine Höhe von 400 mm und eine Kopffläche von 230 x 230 mm. Es ist ausgestattet mit einem einbetonierten Kabelzugrohr, einer verzinkten Stahlplatte sowie vier verzinkten Bolzen (M12) mit einem Abstand von 120 x 120 mm. Die Bolzen ragen 35 mm über die Fundamentoberfläche hinaus. Die Fußfläche des Fundaments misst 350 x 350 mm und bietet eine stabile Basis für die Installation von Fahrkartenentwertern.

Artikelnummer: 32700

Jetzt anfragen!