Einfassungsrahmen aus Beton
Robuste Einfassungsrahmen aus Beton für vielseitige Anwendungen
Unsere Einfassungsrahmen aus Beton sind die perfekte Lösung für die Sicherung und Abgrenzung von technischen Anlagen und Signaleinrichtungen entlang von Verkehrswegen. Speziell entwickelt für Fernsprechkästen, Signalstandplätze, Kabelverteilerschränke, Weichenantriebe und Bahnsicherungsanlagen, sorgen diese Rahmen für eine stabile und langlebige Installation.
Hochwertige Materialien und Konstruktion
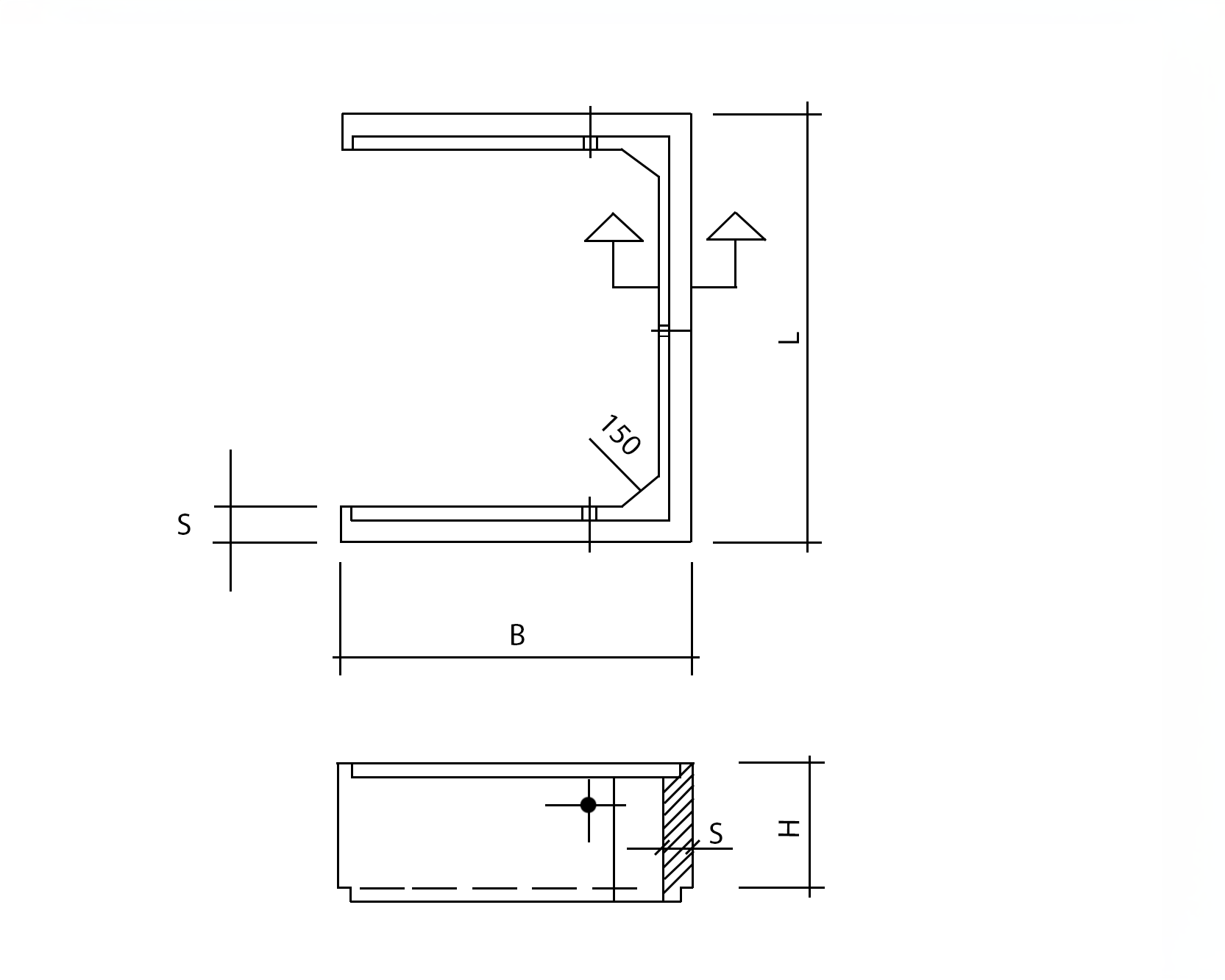
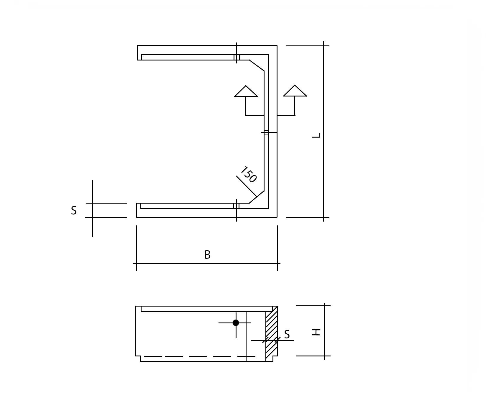
Die Einfassungsrahmen bestehen aus U-förmigen Stahlbetonfertigteilen mit abgeschrägten Innenecken und einer Ober- und Unterfalz für eine optimale Passform und Verbindung. Sie sind aus Beton der Klasse C 35/45 nach EN 206-1 gefertigt und entsprechen den Expositionsklassen XC4 und XF1. Diese hochwertigen Materialien bieten eine hervorragende Widerstandsfähigkeit gegen Umwelteinflüsse und mechanische Belastungen. Die doppelte Bewehrung sorgt für zusätzliche Stabilität und Langlebigkeit.
Flexibilität durch verschiedene Größen
Unsere Einfassungsrahmen sind in verschiedenen Größen erhältlich, um den spezifischen Anforderungen unterschiedlichster Anwendungen gerecht zu werden. Das ausgeprägte Nut-/Federsystem gewährleistet eine besonders gute Verankerung der Teile untereinander, was eine einfache und sichere Montage ermöglicht.
Ideal für den Einsatz an Böschungen und Signalanlagen
Die Beton-Einfassungsrahmen sind ideal geeignet für den Einsatz an Böschungen als Standplätze für Signale aller Art. Sie bieten eine zuverlässige und robuste Lösung zur langfristigen Sicherung von Infrastrukturanlagen. Dank ihrer Vielseitigkeit und Haltbarkeit eignen sich diese Rahmen sowohl für den Einsatz im Neubau als auch für die Sanierung bestehender Anlagen.
Zusätzliche Sicherheit durch optional bestellbare Stahlgeländer
Erhöhen Sie die Sicherheit Ihrer Standplätze mit unseren optional erhältlichen Stahlgeländern, die perfekt zu den Beton-Einfassungsrahmen passen. Die Geländer sind aus Quadratstahlrohr 30/30 mm gefertigt und feuerverzinkt, um eine hohe Beständigkeit gegen Korrosion zu gewährleisten. Die Schenkelteile des Geländers sind mit dem Rückenteil verschraubt und können wahlweise links oder rechts angeordnet werden, um den individuellen Anforderungen gerecht zu werden. Die Lieferung erfolgt zerlegt, als komplette Einheit, einschließlich des notwendigen Befestigungsmaterials, um eine schnelle und einfache Montage vor Ort zu gewährleisten.
Qualität und Langlebigkeit für Ihre Infrastrukturprojekte
Setzen Sie auf unsere Beton-Einfassungsrahmen für sichere und stabile Infrastrukturlösungen. Mit ihrer hohen Qualität und Langlebigkeit erfüllen sie alle Anforderungen an die Sicherung und Abgrenzung technischer Anlagen und tragen somit zur Sicherheit und Effizienz Ihrer Projekte bei.
EFR
| Größe | Länge | Breite | Höhe | Artikelnummer |
| 1 | 2500 mm | 1800 mm | 400 | 31011 |
| 2 | 2500 mm | 1500 mm | 400 | 31013 |
| 3 | 2500 mm | 1200 mm | 400 | 31015 |
| 4 | 2500 mm | 1000 mm | 400 | 31017 |
| 5 | 1800 mm | 1800 mm | 400 | 31021 |
| 6 | 1800 mm | 1500 mm | 400 | 31023 |
| 7 | 1800 mm | 1200 mm | 400 | 31025 |
| 8 | 1800 mm | 1000 mm | 400 | 31027 |
| 9 | 1500 mm | 1500 mm | 400 | 31041 |
| 10 | 1500 mm | 1200 mm | 400 | 31043 |
| 11 | 1500 mm | 1000 mm | 400 | 31045 |
| 12 | 1200 mm | 1200 mm | 400 | 31051 |
| 13 | 1200 mm | 1000 mm | 400 | 31053 |